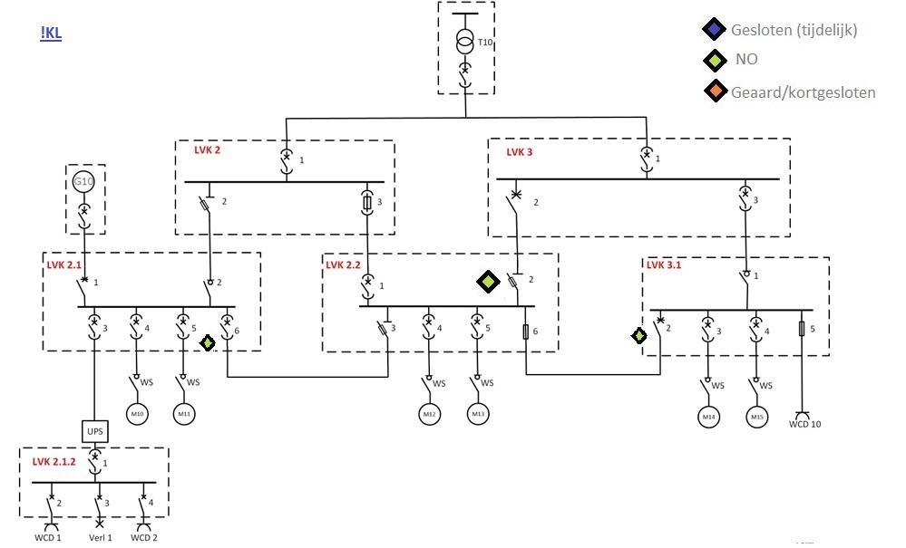
Voorbeeld uniforme tekening LS

Click van linksboven naar rechtsonder voor uitleg schakelaars/kabels/componenten:: Voorbeeld uitwerking

Planets SunSunMercuryVenusSunSunSunSunSunSunSunSunSunSunSunSun