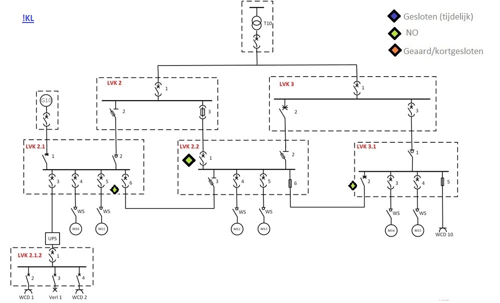
Uniforme tekening LS

Click van linksboven naar rechtsonder voor uitleg schakelaars/kabels/componenten: 

Planets SunSunMercuryVenusSunSunSunSunSunSunSunSunSunSunSunSun