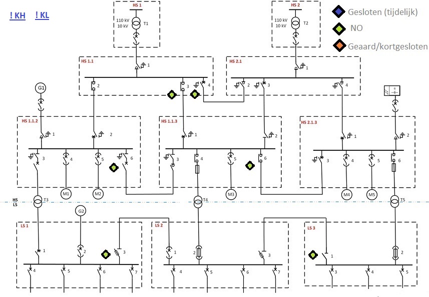
Uniforme tekening HSLS

Click van linksboven naar rechtsonder voor uitleg schakelaars / componenten / kabels Hs en Ls :  Opdrachten

Planets SunSunMercuryVenusSunSunSunSunSunSunSunSungenSunSunSunSunSun